. Military Space News .
LA Chemists Develop Nano Flash Welding

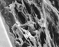
A scanning electron micrograh from the Kaner laboratory of the freeze-fractured cross section of an as-cast asymetric polyaniline membrane. The dense skin layer of the membrane is on the left; the porous bulk support is clearly visible in the center.
Los Angeles CA (SPX) Nov 01, 2004
UCLA chemists report the discovery of a remarkable new nanoscale phenomenon: An ordinary camera flash causes the instantaneous welding together of nanofibers made of polyaniline, a unique synthetic polymer that can be made in either a conducting or an insulating form.

The discovery, which the chemists call "flash welding," is published in the November issue of the journal Nature Materials.

Numerous applications potentially could result from this research in such areas as chemical sensors, separation membranes and nano devices.

"We used an ordinary 35-millimeter camera, but you could also use a laser, or any other high-intensity light source," said Richard B. Kaner, UCLA professor of inorganic chemistry and materials science and engineering, and a member of the California NanoSystems Institute at UCLA.

"I was very surprised," Kaner said. "My graduate student, Jiaxing Huang, decided to take some pictures of his polyaniline nanofibers one evening when he heard a distinct popping sound and smelled burning plastic."

"Jiaxing recalled a paper that we had discussed during a group meeting reporting that carbon nanotubes burned up in response to a camera flash. By adjusting the distance of the camera flash to his material, he was able to produce smooth films with no burning, making this new discovery potentially useful."

The camera flash induces a chemical reaction; it starts a chain reaction in which the tiny nanofibers interact and cross-link, producing heat, which leads to more spontaneous cross linking across the entire surface of the nanofibers, welding them together, Kaner said.

Unlike carbon nanotubes, which burn up, this material is thermally absorbent and can dissipate the heat well enough so that it does not burn.

"We can envision welding other materials together as well," Kaner added. "One way to do this is to take two blocks of a conventional polymer and insert polyaniline nanofibers between them, then induce the cross-linking reaction to produce enough heat to weld the polymer blocks together.

"We can weld polyaniline to itself or to another polymer or potentially use it to join conventional polymers together." (A polymer is a long chain of molecules, commonly known as plastics.)

Because only the part exposed to light welds together, chemists can create patterns by covering sections that they do not want welded; they can control what parts weld together.

Kaner's research team searched for whether any conventional techniques have this same welding property. They found a recent commercial process called laser welding, now used in the electronics industry, in which a laser beam is used to weld together conventional polymers.

"The trouble with laser welding," Kaner said, "is that lasers generally have a small cross-section and consume a lot of power. Our research has the potential of revolutionizing this process."

Nanofibers have high surface areas and important properties, from sensing to flash welding. "This shows why nano is important," Kaner said. "Here's a good example of where nano materials possess a property that conventional materials do not have."

Kaner and Huang were the first chemists to produce large quantities of pure polyaniline nanofibers, which can also be used for sensors - findings they published last year in collaboration with Dr. Bruce Weiller and Shabnam Virji at Aerospace.

The nanofibers have a much greater response in a shorter time than sensors made with conventional polyaniline.

Jiaxing Huang has started a UC Berkeley postdoctoral fellowship. The research is funded by the Microelectronics Advanced Research.

Related Links
SpaceWar
Search SpaceWar
Subscribe To SpaceWar Express

Nano World: Dealing With Too Much Hype
New York (UPI) Oct 22, 2004
The words "next big thing" rule much of the discussion about nanotechnology, but to anyone smarting from the last big thing, the so-called dot-com bubble, the hype might be something to avoid.



Thanks for being here;
We need your help. The SpaceDaily news network continues to grow but revenues have never been harder to maintain.

With the rise of Ad Blockers, and Facebook - our traditional revenue sources via quality network advertising continues to decline. And unlike so many other news sites, we don't have a paywall - with those annoying usernames and passwords.

Our news coverage takes time and effort to publish 365 days a year.

If you find our news sites informative and useful then please consider becoming a regular supporter or for now make a one off contribution.
SpaceDaily Contributor
$5 Billed Once


credit card or paypal
SpaceDaily Monthly Supporter
$5 Billed Monthly


paypal only














The content herein, unless otherwise known to be public domain, are Copyright 1995-2016 - Space Media Network. All websites are published in Australia and are solely subject to Australian law and governed by Fair Use principals for news reporting and research purposes. AFP, UPI and IANS news wire stories are copyright Agence France-Presse, United Press International and Indo-Asia News Service. ESA news reports are copyright European Space Agency. All NASA sourced material is public domain. Additional copyrights may apply in whole or part to other bona fide parties. Advertising does not imply endorsement, agreement or approval of any opinions, statements or information provided by Space Media Network on any Web page published or hosted by Space Media Network. Privacy Statement All images and articles appearing on Space Media Network have been edited or digitally altered in some way. Any requests to remove copyright material will be acted upon in a timely and appropriate manner. Any attempt to extort money from Space Media Network will be ignored and reported to Australian Law Enforcement Agencies as a potential case of financial fraud involving the use of a telephonic carriage device or postal service.